欢迎访问郑州德宝电子科技有限公司!

专业研发、生产、销售

北斗GPS定位器

全国咨询热线:

17803888623

0371-65358676

新闻中心

联系方式

全国咨询热线:

0371-65358676

地址:河南省郑州市花园65号恒华商务
电话:0371-65358676
传真:0371-65358676
招商热线:17803888623
联系人:耿经理
邮箱:508501652@qq.com

详细内容

当前位置:首页 >> 新闻中心 >> 行业新闻 >> 详细内容

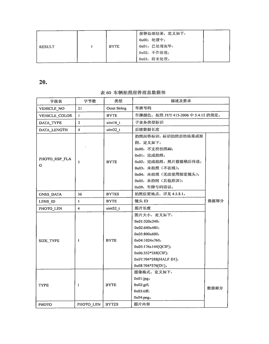
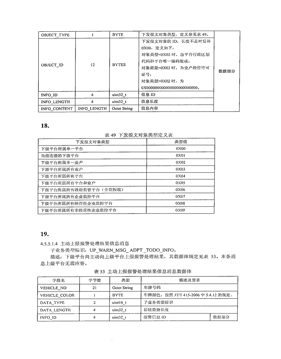
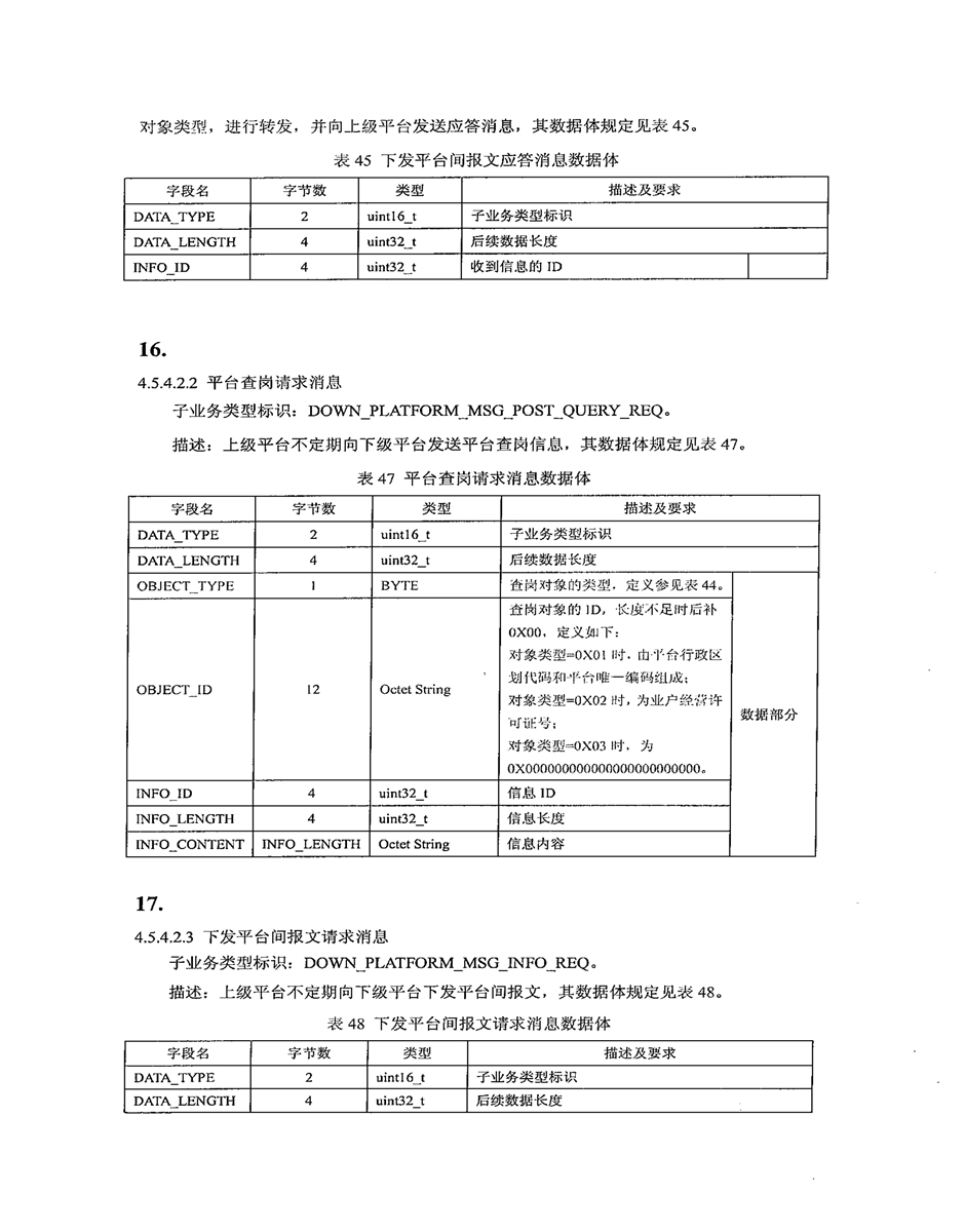
道路运输车辆卫星定位系统--协议补充(JT T808、809-2011)

发布时间:2022-06-18 点击次数: 作者:admin

道路运输车辆卫星定位系统--协议补充(JT T808、809-2011)